Themabewertung:
  • 0 Bewertung(en) - 0 im Durchschnitt
  • 1
  • 2
  • 3
  • 4
  • 5
DIN zu Cynch am Grundig CR485A
#1
Ich habe gelesen, dass DIN weniger und anders Saft (ab-)führt. Habe einen Grundig CR485A restauriert und würde auch gerne die Aufnahmefunktion nutzen können. Mit einem Line-Gerät an DIN-Eingänge zu gehen, ist, so sagt man zumindest, keine gute Idee.

Aber wie lautet denn die Profi-Lösung? Denke Platine umbasteln, aber was genau?


Angehängte Dateien Thumbnail(s)
       
Komputerliebe, Disko und Tekkno!
Zitieren
#2
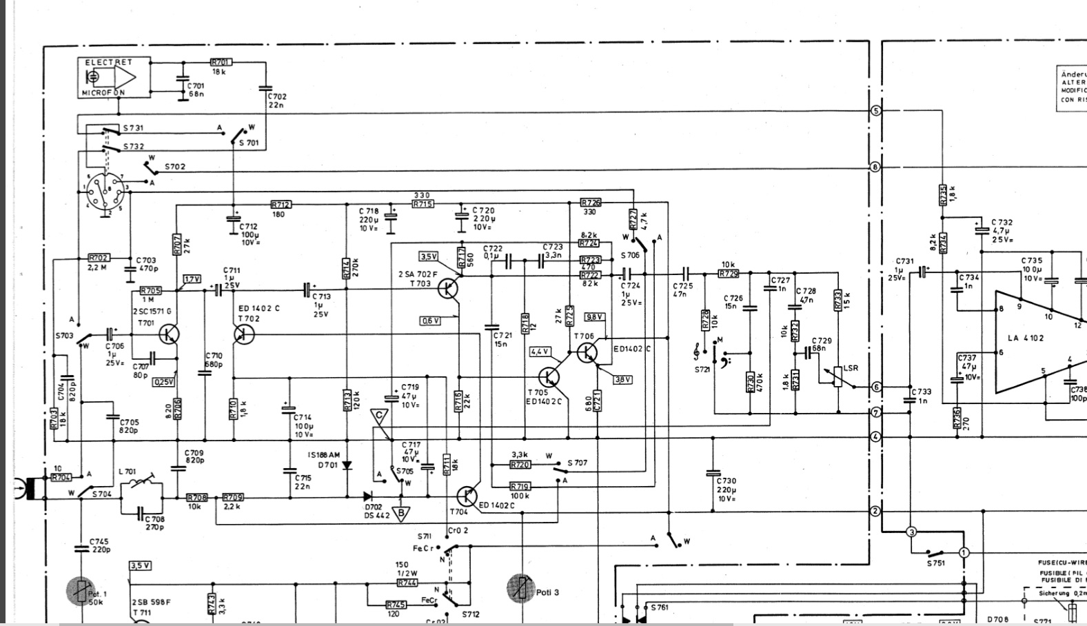
R227 auf etwa 2KOhm ändern (minimal 1KOhm) und C227 auf 4,7µF erhöhen und gut. Wink
Analog für den anderen Kanal, der auf Deinem Bild nicht dargestellt ist.
Chat im EUIRC (#amiga-dresden.de)
Zitieren
#3
Tausend Dank!

Meinst du R727? Ist hier der Kanal mit drauf?


Angehängte Dateien Thumbnail(s)
   
Komputerliebe, Disko und Tekkno!
Zitieren
#4
ja, 727.... war schlecht zu erkennen. Sad
Lt Schaltung ist das ein Monogerät. Dann stimmt wohl diese Angabe nicht: http://www.radiomuseum.org/r/grundig_cr485a_stereo.html
Demnach hat die Mono-Ausführung die Bezeichnung CR485. Also ohne "A"
Chat im EUIRC (#amiga-dresden.de)
Zitieren
#5
CB1JCY,index.php?page=Thread&postID=4503#post4503' schrieb:Lt Schaltung ist das ein Monogerät. Dann stimmt wohl diese Angabe nicht: http://www.radiomuseum.org/r/grundig_cr485a_stereo.html
Demnach hat die Mono-Ausführung die Bezeichnung CR485. Also ohne "A"

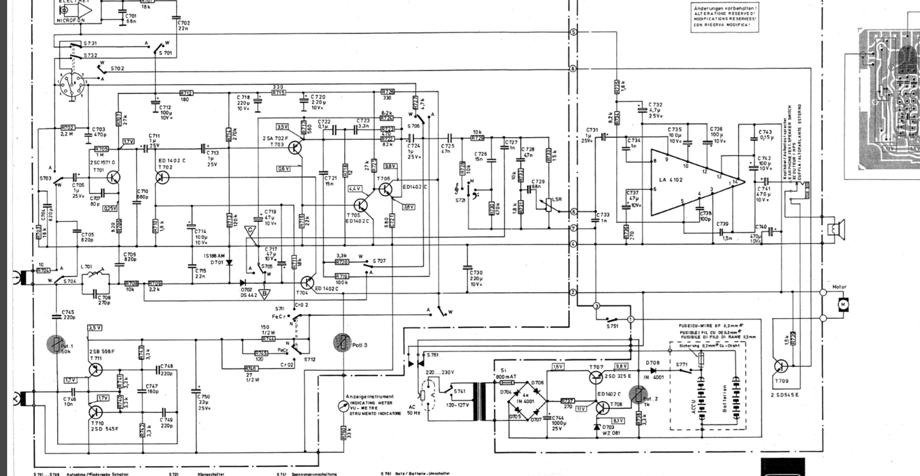
nich ganz, weil auf den bildchen die platine und schaltplan nur zur hälfte ab gebildet sin
Inside Windows-Kernel: if(everything_is_ok==1) { crash(); }

[Bild: lpy4aa-2.png]

</>Congratulations, you've reached the end of the internet!
Zitieren
#6
Soll der Besitzer das mal klären. Zur Aufnahme von C64-Musik würde mono reichen. Wink
Chat im EUIRC (#amiga-dresden.de)
Zitieren
#7
Habe den CR485A und würde natürlich den Kanal für Aufnahme und den für die Wiedergabe anpassen. Weiß nicht, ob die Kiste "nur" mono aufnehmen kann. Vermutlich nicht. Habe zwar eine Kopie der Service-Anleitung, aber da steht nix konkretes.

Auch: 8-Pin Hufeisenform DIN-Lötstecker oder reicht es, ein MIDI-Kabel (5 Pole) umzubauen?
Komputerliebe, Disko und Tekkno!
Zitieren
#8
Wenn der 5-polige, vom Winkel her, passt, kannst Du diesen Stecker verwenden. Beim C64 klappt das ja auch.
Chat im EUIRC (#amiga-dresden.de)
Zitieren


Gehe zu:


Benutzer, die gerade dieses Thema anschauen: 1 Gast/Gäste